频率DC~18GHz,SMA连接器,激励电压12Vd.c.,带TTL,带焊针,卧式安装的单刀双掷(SPDT)非自保持型射频继电器
ONETEST 欢迎您
RF1201J1-03104PW DC至18GHz SPDT射频同轴开关|西科技术 (在产)
RF1201J1-03104PW
频率DC~18GHz,SMA连接器,激励电压12Vd.c.,带TTL,带焊针,卧式安装的单刀双掷(SPDT)非自保持型射频继电器

射频特性
射频通道数量 :2
频率范围 :DC~18GHz
特性阻抗 :50Ω
频率(GHz) | DC~6 | 6~12.4 | 12.4~18 |
驻波比(max) | 1.15 | 1.25 | 1.30 |
插入损耗(max) | 0.30dB | 0.40dB | 0.50dB |
隔离度(min) | 85dB | 75dB | 65dB |
功率 a) | 120W | 90W | 80W |
a)在 25℃时,每路的平均功率。 | |||
电气参数
激励器 :非自保持
激励电压 :12V(10.2V~13V)
额定电流(25℃,±10%) :250mA
TTL 输入 :高电平(2.5~5.5)V 低电平(0~0.8)V
控制端接口 :Pin焊针(焊接温度250℃ max/30s)
机械特性
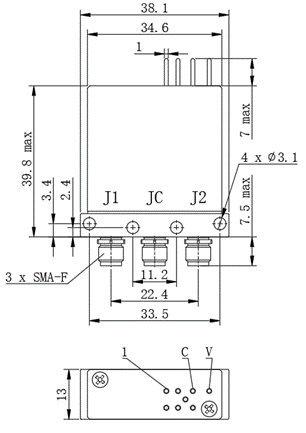
射频端口 :SMA型母头
寿命 :1000 万次
转换时间 :≤10ms
结构 :防溅型
重量 :≤450g
振动 :(10~2000)Hz,20g
冲击 :50g,11ms,1/2正弦
环境指标
工作温度 :(-55~+85)℃
贮存温度 :(-55~+85)℃

控制端输入 | 射频通道 |
“1”=1 | J1↔JC |
“1”=0 | J2↔JC |
V | 12Vd.c. |
C | 接地 |
安装方式:W
控制端接口:P
未注公差:±0.5
厂家联系方式:
深圳市光明新区光明街道高新西路 11 号研祥科技工业园 U 立方 1 楼
联系电话:0755 - 82986180、0755 - 82986187
官网邮箱:xk@szxike.cn
投诉邮箱:xie@szxike.cn
0条提问
X
提问
X
回答
发表口碑

粤公网安备44030902003758