射频收发器:8 个通道,可配置为相位相干或独立模式。
射频调谐范围:30MHz 至 6GHz,未来可扩展至 18GHz。
射频扫描速率:每个接收器每秒 500GHz。
多设备同步:支持 WhiteRabbit 精密时间协议。
功耗:30W,由 PoE++ 供电。
有线接口:RJ45(1GbE)、SFP+(10GbE)。
ONETEST 欢迎您
射频收发器:8 个通道,可配置为相位相干或独立模式。
射频调谐范围:30MHz 至 6GHz,未来可扩展至 18GHz。
射频扫描速率:每个接收器每秒 500GHz。
多设备同步:支持 WhiteRabbit 精密时间协议。
功耗:30W,由 PoE++ 供电。
有线接口:RJ45(1GbE)、SFP+(10GbE)。

特性
射频收发器:8 个通道,可配置为相位相干或独立模式。
射频调谐范围:30MHz 至 6GHz,未来可扩展至 18GHz。
射频扫描速率:每个接收器每秒 500GHz。
多设备同步:支持 WhiteRabbit 精密时间协议。
功耗:30W,由 PoE++ 供电。
有线接口:RJ45(1GbE)、SFP+(10GbE)。
优势
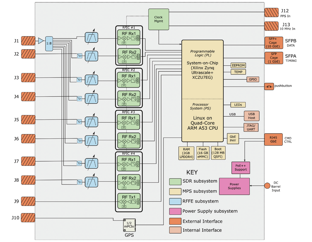
全面的软件定义无线电能力:Sidekiq™ NV800 旨在将快速跳频、相位相干和 WhiteRabbit 等多种先进特性集成到一个易于使用的平台中。
易于集成:凭借 VITA 49 数据格式和 RESTful API 控制,Sidekiq™ NV800 确保与商用现货(COTS)和政府现货(GOTS)频谱分析无缝集成,消除障碍并加速部署。
设计高效:设计为低功耗,并集成到一个被动散热的紧凑型设备中。
适用的应用与任务:频谱感知、测向、反无人机系统、有效载荷。
关键规格
调谐范围:1MHz 至 6GHz
带宽:每个通道高达 50MHz
功耗:通常低于 25W
集成 FPGA:AMD® UltraScale™ XCZUEG FPGA
外形尺寸:9.92 英寸 ×7.24 英寸 ×2.0 英寸(25.2 厘米 ×18.4 厘米 ×5.1 厘米)
接收器:最多 8 个
发射机:1 个

独立的软件定义无线电平台,配备八个射频接收器和一个射频发射器。
射频调谐范围广,所有射频通道最高可达 6GHz,未来一个射频接收通道可扩展至 18GHz。
所有射频通道的瞬时带宽最高可达 50MHz。
支持八个接收器的频率 - 相位相干和频率 - 相位独立操作。
所有射频通道均支持快速跳频。
典型功耗低于 25W,支持 POE++ 或直流输入。
支持精度小于 1ns 的 WhiteRabbit 同步技术。
环境选项:存储温度 -40°C 至 85°C;工作温度 -40°C 至 70°C。
尺寸:9.92 英寸 ×7.24 英寸 ×2.0 英寸(25.2 厘米 ×18.4 厘米 ×5.1 厘米)
重量:3.68 磅
FPGA:AMD® UltraScale™ XCZUEG FPGA
同步:WhiteRabbit IEEE 1588 - 2019
发射器数量:1 个
射频调谐范围:30MHz 至 6GHz
射频调谐步长:小于 5Hz
射频本振调谐时间:小于 70 微秒
射频通道带宽:最高可达 50MHz
典型射频输出功率:最高可达 +0dBm
数模转换位数:16 位
接收器数量:8 个
射频调谐范围:30MHz 至 6GHz
射频调谐步长:小于 5Hz
射频本振调谐时间:小于 70 微秒
射频通道带宽:最高可达 50MHz
典型接收噪声系数:7dB
典型接收三阶交调截点:+5dBm
模数转换位数:16 位
八通道、相位相干射频接收器,支持 VITA49 数据流传输和 WhiteRabbit® 同步技术。这是一款高性能、快速跳频的多通道软件定义无线电设备,用于低功耗射频频谱感知。它是一个完整的软件定义无线电平台,适用于频谱监测、无线探测、信号情报收集、C5ISR(指挥、控制、通信、计算机、情报及监视与侦察)、反无人机系统以及其他关键任务应用。
NV800 是一款高性能的软件定义无线电平台,具有八个接收通道和一个发射通道,能够快速部署以满足射频感知应用的需求。它可以在相位相干模式或独立模式下运行,支持固定频率和快速跳频操作模式,这两种模式都可用于测向应用。每个通道的快速跳频功能能够实现每秒近 500GHz 的全频谱覆盖。NV800 易于安装,只需通过 1GbE 连接实现 POE++ 供电以及命令与控制(也可选择直流电源输入),并通过 10GbE 以 VITA49 标准进行高速数据流传输。

独立的软件定义无线电平台,配备八个射频接收器和一个射频发射器。
射频调谐范围广,所有射频通道最高可达 6GHz,未来一个射频接收通道可扩展至 18GHz。
所有射频通道的瞬时带宽最高可达 50MHz。
支持八个接收器的频率 - 相位相干和频率 - 相位独立操作。
所有射频通道均支持快速跳频。
典型功耗低于 25W,支持 POE++ 或直流输入。
支持精度小于 1ns 的 WhiteRabbit 同步技术。
环境选项:存储温度 -40°C 至 85°C;工作温度 -40°C 至 70°C。
尺寸:9.92 英寸 ×7.24 英寸 ×2.0 英寸(25.2 厘米 ×18.4 厘米 ×5.1 厘米)
重量:3.68 磅
FPGA:AMD® UltraScale™ XCZUEG FPGA
同步:WhiteRabbit IEEE 1588 - 2019
发射器数量:1 个
射频调谐范围:30MHz 至 6GHz
射频调谐步长:小于 5Hz
射频本振调谐时间:小于 70 微秒
射频通道带宽:最高可达 50MHz
典型射频输出功率:最高可达 +0dBm
数模转换位数:16 位
接收器数量:8 个
射频调谐范围:30MHz 至 6GHz
射频调谐步长:小于 5Hz
射频本振调谐时间:小于 70 微秒
射频通道带宽:最高可达 50MHz
典型接收噪声系数:7dB
典型接收三阶交调截点:+5dBm
模数转换位数:16 位
0条提问
X
提问
X
回答
发表口碑
© 2026 Onetest仪器资源库 All Rights Reserved 粤ICP备17028186号-2
粤公网安备44030902003758