开源资料链接:https://github.com/EEVengers/ThunderScope
强大的软件,卓越的硬件
ThunderScope 将昂贵、笨重的高端示波器的功能融入到一个便携且价格亲民的产品中。传统示波器受限于其内置处理能力和局促的用户界面,而 ThunderScope 旨在将完整的 1GS/s 采样数据实时传输到您的计算机进行处理和分析。ThunderScope 的高速连接(通过 Thunderbolt、USB 4 和 PCI Express)和独特的软件定义架构使其可用于从简单测量到复杂协议分析的各种场景。
ThunderScope 重新定义了测试设备的设计和使用方式。其硬件专注于示波器最重要的部分 —— 模拟前端。传统示波器必须在模拟前端和诸如小屏幕、性能不足的微处理器以及大机箱等支持组件之间分配预算。ThunderScope 采用了不同的方法:它拥有一个不妥协的模拟前端,通过最快的可用接口连接到您的计算机。与其他在设备上进行处理的示波器不同,这种方法的改变使 ThunderScope 能够充分发挥您计算机的潜力。这使得 ThunderScope 成为唯一一款每次您升级计算机时性能都会提升的示波器。

开箱即用体验
ThunderScope 使用方便。只需将其连接到您的计算机,打开 ngscopeclient,即可开始进行测量。
与传统示波器不同,ThunderScope 不受有限采样内存的限制。它可以捕获从人类可感知的事件到纳秒级细节等各种时间尺度的事件。例如,您可以捕获并解码 USB MIDI 事务,并监控合成器输出的音频波形。
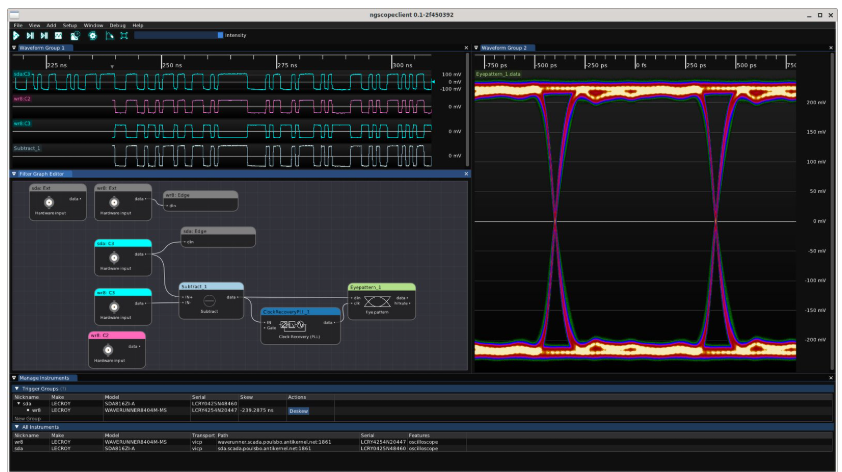
由于您可以完全控制硬件,因此可以禁用某个通道上的抗混叠滤波器,并将其用作软件定义无线电,从而利用巨大的前端带宽!在这里,一个 434MHz 的无线电信号通过直接数字下变频被捕获,同时探测并解码连接到无线电收发器的 SPI 总线。
ThunderScope 的模拟前端在噪声性能方面达到了最高标准。经过多年的迭代,我们开发出了在其带宽级别中名列前茅的前端。

未来扩展选项
ThunderScope 可与您的其他测试设备无缝集成。采样可以与标准的 10MHz 外部参考时钟同步,或者与被测设备提供的任意频率同步。或者,内部生成的参考时钟可以通过同一个 BNC 接口输出,以便将您的其他测试设备与 ThunderScope 同步,也可以向被测设备提供任意频率的时钟。处理数据采集和传输的 FPGA 可通过一个输入 / 输出连接器访问,该连接器可用作外部触发输入,或者在使用自定义比特流时由最终用户定义功能。

如果您需要超过四个通道,我们还在开发一项功能,让您可以使用时钟和同步连接将多个 ThunderScope 配对,从而同时测量您计算机能够处理的任意数量的通道。
快速灵活的软件
ngscopeclient 是一款功能强大的开源测试设备客户端,提供超越普通示波器的高级功能。它包含一套滤波器和协议分析仪,可用于测量和解码从 UART 到以太网的各种信号。它完全由 GPU 加速,响应速度极快,使得从常规探测到深度分析的一切操作都能无缝进行。它甚至可以连接到其他测试设备,无需使用多个供应商的软件或编写测试脚本即可进行复杂测试。

ngscopeclient 从TS.NET接收数据,TS.NET是我们的硬件控制和触发软件。TS.NET允许对硬件进行精细控制,并包含我们高效的触发代码库,可用于构建适合您信号的精确触发。
对开源卓越的承诺
ThunderScope 从一开始就被设计成一款真正专业的示波器,其技术设计出色,可在未来数年持续使用和进一步开发。就像 RepRap 使开源成为 3D 打印机的首选一样,我们希望 ThunderScope 能够开启开源测试设备的新潮流。
但技术卓越只能让您走这么远。正是围绕这个项目以及我们所依赖的项目的优秀开源社区的持续努力,才使 ThunderScope 成为可能。
硬件 门控软件 PCIe 驱动 硬件控制 触发 界面及后处理
门控软件 LiteX LitePCIe 驱动 libtslitex
@NateMeyer @Johnsel Windows:@NateMeyer Linux:@enjoy-digital @NateMeyer
ThunderScope 硬件 @enjoy-digital Mac:@tech2077 TS.NET ngscopeclient
@AleksaBjelogrlic 门控软件 XDMA XDMA 驱动 TS.NET @macaba @azonenberg
@AleksaBjelogrlic @AEW2015 Windows:@Xilinx Linux:@Xilinx @macaba
thunderscope-rs thunderscope-rs thunderscope-rs
@whitequark @whitequark @whitequark
目前稳定
随着 ThunderScope 的推出,我们承诺将永久拿出一半的利润,用于资助那些帮助我们实现这一目标的项目和贡献者,以及专注于开源测试设备和工具的新项目,以维持这个优秀的社区。
主要特点
硬件特点
Thunderbolt/USB4 和 PCIe 兼容接口:以超过 1GB/s 的速度将采样数据传输到您的计算机。注意:ThunderScope 不能与 USB 3 及更低版本或 Thunderbolt 2 及更低版本一起使用。ThunderScope PCIe 需要一个 4x PCIe Gen 2 或更高规格的插槽。
灵活的带宽:单通道时带宽最高可达 350MHz。双通道时每个通道 200MHz,四通道时每个通道 100MHz。禁用抗混叠滤波器可释放 500MHz 的完整模拟带宽,用于通过直接数字下变频进行射频实验。
可调节分辨率:根据采样率,分辨率可在 8 位到 12 位之间调节。
可选终端:1MΩ 和 50Ω 终端,可使用标准的无源或有源探头,也可直接连接到 50Ω 的系统和设备。
便携:仅需一台支持 Thunderbolt/USB 4 的笔记本电脑和 USB C 数据线。配有一个硬壳箱,可存放 ThunderScope 和探头,可轻松放入背包。
软件特点
多窗口用户界面:可在不受小屏幕限制的情况下组织、查看和分析测量数据。可保留一次测量过程中捕获的所有波形。
高级触发功能:从基本的边沿触发到自定义的软件定义跨通道触发,可捕获复杂的信号行为。
协议分析:可测量和解码包括 I2C、SPI、CAN、SWD、USB 和以太网等协议,以及自定义协议。
存储深度:仅受系统内存限制。可捕获数秒的数据,并能在不重新配置和重新捕获的情况下,一直放大到纳秒级进行查看。
产品规格
| ThunderScope | Picoscope 5444D | NI PIXe - 5110 | Siglent SDS1204X HD | Keysight DSOX1204A |
|
|---|
| 通道数 | 4 | 4 | 2 | 4 | 4 |
| 模拟带宽 | 500MHz¹ | 200MHz | 100MHz | 200MHz | 200MHz |
| 输入阻抗 | 50Ω,1MΩ | 1MΩ | 50Ω, 1MΩ | 50Ω, 1MΩ | 1MΩ |
| 满量程输入电压范围 | 8mVpp 至 40Vpp(1MΩ),40mVpp 至 4Vpp(50Ω) | 20mVpp 至 40Vpp | 40mVpp 至 40Vpp(1MΩ),40mVpp 至 10Vpp(50Ω) | 4mVpp 至 80Vpp(1MΩ),4mVpp 至 8Vpp(50Ω) | 8mVpp 至 80Vpp |
| 最大采样率 | 1GS/s(8 位),500MS/s(12 位)² | 1GS/s(8 位),500MS/s(12 位) | 1GS/s(8 位) | 2GS/s(12 位) | 2GS/s(8 位) |
| 全带宽噪声(最灵敏范围) | 80μVrms(8 位)¹,待定 μVrms(12 位)² | 120μVrms(8 位),110μVrms(12 位) | 120uVrms | 70μVrms | 未指定 |
| 存储深度 | 1Gpts / 通道(当前软件限制) | 128Mpts / 通道(硬件限制) | 32Mpts / 通道(硬件限制) | 25Mpts / 通道(硬件限制) | 1Mpts / 通道(硬件限制) |
| 触发类型 | 边沿触发(首个主要软件版本计划增加更多类型) | 边沿、窗口、脉冲宽度、窗口脉冲宽度、丢失脉冲、窗口丢失脉冲、间隔、矮脉冲、逻辑触发 | 边沿、毛刺、滞后、矮脉冲、宽度、窗口、数字、立即、软件触发 | 边沿、斜率、脉冲宽度、视频、窗口、间隔、丢失脉冲、矮脉冲、模式、限定、延迟、建立 / 保持、串行触发 | 边沿、模式 / 状态、脉冲宽度、建立 / 保持、上升 / 下降时间、视频、串行触发 |
| 用户可扩展触发类型 | 是 | 否 | 是 | 否 | 否 |
| 协议解码 | 128b/130b、64b/66b、8b/10b、1 - 线制、CAN、DP - AUX、DVI、10Base - T、100Base - T1、100Base - TX、GMII、RGMII、RMII、HDMI、I2C、英特尔 eSPI、JTAG、MDIO、MIL - STD - 1553、MIPI D - Phy、MIPI DSI、并行、QSPI、SDQ、SPI、SWD、UART、USB 1.0/2.x | 1 - 线制、ARINC 429、CAN、CAN FD、CAN J1939、DALI、DCC、DMX512、10Base - T、100Base - TX、FlexRay、I²C、I²S、LIN、曼彻斯特编码、MODBUS、PS/2、SENT、SPI、UART、USB 1.1 | 未在 NI 文档中找到相关信息 |
|
|
| 用户可扩展协议解码 | 是 | 仅通过 PicoSDK,Picoscope 软件中不支持 | 是,通过 Instrument Studio 插件支持 | 否 | 否 |
| 数学运算和测量 | 测量和数学通道数量无固定限制 | 测量和数学通道数量无固定限制 | 测量和数学通道数量无固定限制 | 最多 12 次测量和 4 个数学通道 | 最多 4 次测量和 1 个数学通道 |
| 用户可扩展数学运算和测量 | 是 | 仅通过 PicoSDK,Picoscope 软件中不支持 | 是,通过 Instrument Studio 插件支持 | 否 | 否 |
| 主机接口 | PCIe Gen 2 x 4(直接或通过 TBT/USB4) | USB 3 Gen 1(USB B 接口) | PCIe Gen 1 x 4 | USB 2.0(USB B 接口)、10/100MbaseT | USB 2.0(B 接口)、1GbE |
| 流向主机的带宽 | 1GB/s | 125MB/s | 未指定 | 未指定 | 未指定 |
| 主机供电 | 是,无需额外线缆 | 否,四通道操作需 AC 适配器 | 是,通过 PXIe 机箱 | 否,需 AC 输入 | 否,需 AC 输入 |
| 支持的主机操作系统 | Linux、Windows、Mac³ | Linux、Windows、Mac | Windows | Windows(SigScopeLab) | Windows(BenchVue) |
| 独立操作 | 否 | 否 | 否 | 是 | 是 |
| 尺寸 | 145 x 103 x 31mm(TS),132 x 120 x 20mm(TS PCIe) | 190 x 170 x 40mm | 216 x 130 x 20mm | 317 x 236 x 149mm | 314 x 165 x 130mm |
| 重量 | 360g(TS),150g(TS PCIe) | 500g | 380g | 4.1kg | 3.23kg |
| 包含配件 | 定制硬箱、40Gbps USB - C 数据线(TS)、定制 PCIe 支架(TS PCIe) | USB 3 B 数据线、4 个探头 | 无 | USB B 数据线、4 个探头、AC 电源线 | 4 个探头、AC 电源线 |
| 是否开源 | 是,完全开源 | 否 | NI - ope | 可破解但不开源 | 绝对不开源 |
| 价格 | 1,150 美元(TS),950 美元(TS PCIe) | 3,265 美元 | 1,907 美元 + 每年示波器界面测量工作室许可证费用 | 1,699 美元 | 2,270 美元 |
注:¹ 该规格为当前测量值并留有裕量,生产过程中可能会优化;²12 位模式的硬件已设计完成,但截至撰写时,相关的门控软件和固件尚未实现;³ 目前正在开发中。
包装内包含什么?
ThunderScope
1 个铝制外壳的校准 ThunderScope 主机
1 根支持 40Gbps 数据传输的 USB - C 数据线
1 个定制的 Pelican 1120 便携箱
ThunderScope PCIe
1 张校准的 ThunderScope PCIe 卡
1 个定制 PCIe 支架
ThunderScope 探头套装
一套四个探头,完美适配 ThunderScope 的功能。(1 个 350MHz 探头、1 个 250MHz 探头、2 个 150MHz 探头)
开发版
开发版是限量的早鸟版本,将配备更大的 Artix - 7 50T FPGA 和 256MB 的 DDR3。我们这样做是为了在过渡到占用 FPGA 资源更少且无需 DDR3 的新 LiteX 门控软件时,这些设备能够运行我们稳定的 XDMA 门控软件。
注意:探头单独销售,已拥有探头的用户可仅购买所需的 ThunderScope 型号,而需要探头或想要更多探头的用户可在订单中添加探头,与 ThunderScope 一起发货。
资源与文档
ThunderScope 是多个项目的结晶,有众多不同的作者和代码库,共同目标是打造优秀的开源测试设备。
其他信息
2023 年拆解项目概述讲座
2023 年 Supercon 模拟前端讲座
ThunderScope 拆解环节直播
ThunderScope 模拟前端视频系列
社区
我们的 Discord 服务器是讨论项目最新进展的地方,它在 matrix 上的#thunderscope:matrix.org和 IRC 上的 #thunderscope:libera.chat 也有镜像!
Twitter:@aleksorsist
Mastodon:@aleksorsist@fosstodon.org
制造计划
ThunderScope 的原型制作已完成,生产硬件设计正在进行中。
ThunderScope 将由 Nemko Canada 进行 FCC 和 CE 合规性测试。
包括 FPGA、ADC、前端缓冲器和 PGA 在内的关键 BOM 组件已落实。
ThunderScope 的 PCBA 将由 Entropic Engineering 完成,他们慷慨地为我们的首批产品提供了生产线,并帮助我们与更大规模的组装厂建立联系,以便后续生产。
铝制外壳将由 Hammond Manufacturing 提供。
便携箱将由 Pelican 提供,内部泡沫将在内部切割。
示波器探头将由 Testec 提供。
时间线
随着众筹活动接近尾声,我们将订购首批 ThunderScope 开发版电路板、铝制外壳、箱子和探头。这些物品应在 2024 年底前送达加拿大安大略省基奇纳的 EEVengers 总部。在内部进行校准、测试和包装后,我们将把产品发送给 Mouser 进行分销。
在整个活动期间,我们将定期更新制造进度。我们将分享照片、时间线更新以及制造过程中的各个步骤的进展情况。
交付与物流
所有产品在加拿大安大略省基奇纳的 EEVengers 总部完成测试和包装后,我们将把它们发送给 Crowd Supply 的物流合作伙伴 Mouser Electronics。Mouser 将负责处理所有众筹订单的交付和运输。