无与伦比的逻辑分析
将高性能逻辑分析仪插入示波器,以增强混合信号分析的直观性。 HDA125 High-Speed Digital Analyzer 以小型模块化外形提供 12.5 GS/s 的采样率和多达 18 条引线。
HDA125 可以添加到任何带有 LBUS 或 SYNC 连接器的 Teledyne LeCroy 示波器——包括 WaveMaster/SDA 8 Zi-B 和 LabMaster 10Zi-A。

此屏幕截图显示了在数字域和模拟域中捕获的 6 Gb/s 信号。 HDA125 以 12.5 GS/s 的速度进行采样,以 80ps 的定时精度捕获最快的信号。

QuickLink 吸头提供 8 GHz 的带宽和平坦、可控的频率响应。 当使用 HDA125 进行数字采集时,它们支持 3 GHz 带宽和行业领先的灵敏度。 在这两种情况下,高输入阻抗可确保被测系统的负载最小。

QuickLink 焊接端部成本低廉,可轻松装备多个测试点和 DUT,并消除了耗时的连接器重新焊接。 一体式 9 英寸引线有效地将您的测试点重新定位到更方便的位置,并通过消除焊点上的扭矩和其他力使测试更加可靠。

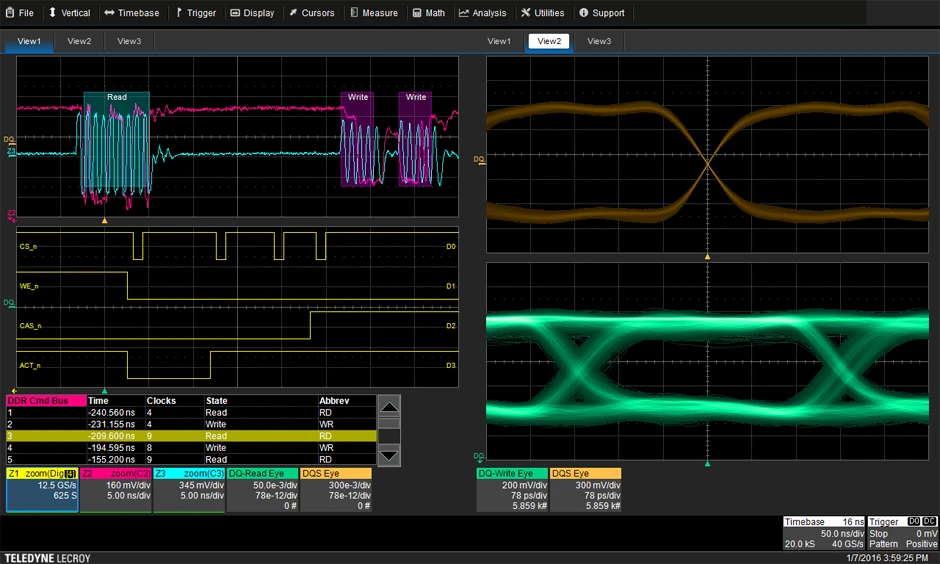
自信地捕获、分析和可视化命令总线信号。 测试需要深入的洞察力和捕获 DDR 命令总线并通过使用 HDA125 对其进行测量的能力

HDA125 启用了 DDR 调试软件选项的独特“总线视图”功能,将 Teledyne LeCroy 的高级总线分析功能集用于 DDR 分析。 以表格形式查看总线活动,并通过触摸按钮将时间相关视图移动到所需事件。 在获取的记录中搜索特定事件和总线状态。 直观的颜色叠加和注释可以轻松识别采集的模拟波形中的感兴趣区域。

在命令总线的特定状态上触发的能力成为快速了解 DDR 信号质量的宝贵工具。 HDA125 的逻辑触发与 DDR 调试工具包的直观设置和智能软件交叉触发相结合,提供了终极 DDR 触发系统。 读取和写入突发的持久性图提供了一种简单快速的方法来识别细微的信号质量问题以供进一步调查。

